Red and white pattern of small, repeating, interconnected geometric shapes.

API Taps:
Engineered for Strength. Designed to Last.

Not all crest designs are created equal. While traditional crest flats serve their purpose, Jarvis Cutting Tools elevates performance with a precision-ground Crest Radius—delivering built-in edge prep, dramatically extended tap life, and stronger, more reliable API threads.

Comparison chart showing Jarvis API Taps produce 1800-3800 holes compared to 800 holes from a competitor.

INFORMATION

Optimal Crest Design

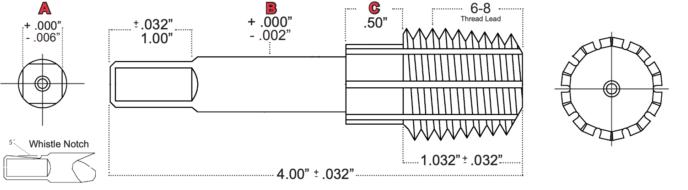
Jarvis Cutting Tools grinds a crest radius on the major diameter of the tap. Traditionally, taps are produced with Crest Flats. This truncated thread form works well in some applications, but Jarvis ground Crest Radius has significant advantages in a wide variety of applications, especially API threads. The Crest Radius provides an “Edge Prep” for forming taps. The rounded shoulders can dramatically increase tap life and create much stronger threads. In fact, there are many applications which now specify Jarvis’ Crest Radius because of the extra strength and performance they provide!

North & South American API Tap

Part Numbers
Tap Size A B C Pitch Diameter With Notch Without Notch
5/8-10 .370 .500 .748 .8800 R841795T R841798T
3/4-10 .464 .625 .824 1.0055 R843487T R858450T
7/8-10 .557 .750 .994 1.1305 R843488T R840700T
1" – 10 .600 .875 1.186 1.3185 R841813T R841115T
1-1/18-10 .750 1.000 1.354 1.5061 R841814T R841828T

Asian API Tap

Tap Size A B C Pitch Diameter Part Numbers
5/8-10 .696 .710 6.693 .8800 R864148T
3/4-10 .696 .926 6.772 1.0055 R864826T
7/8-10 .696 .926 6.772 1.1305 R868411T
1" – 10 .696 .946 6.772 1.3185 R864827T
1-1/18-10 .853 1.104 7.300 1.5061 R864828T

We’re Here For Whatever You Need

Customer support, engineering support, or general inquires. 

Contact Us

A minimalist, stylized icon of a cloud with a circular shape suspended beneath it, depicted in solid white.